Accelerometer (Charge Output Type)
NP-2000 series
This sensor converts mechanical vibrations into electric signals in proportion of vibration acceleration.
You can choose the one that is ideal for your purpose,conditions,applications etc. from wide variety of selection.
Charge amplifier is necessary because it is a charge output type,however, compared to pre-amplifier built-in type, it can be used at higher temperature in general.
Features
*1:Vibration system where M is mass, K is the spring constant, and C is the viscosity resistance.
NP series Accelerometers
Specifications
| Features | Ultra-compact, lightweight |
Compact, lightweight |
Compact, high-temperature |
Compact, general-purpose usage |
Compact | General-purpose usage |
| Structure | Shear type | Shear type | Shear type | Shear type | Shear type | Shear type |
|---|---|---|---|---|---|---|
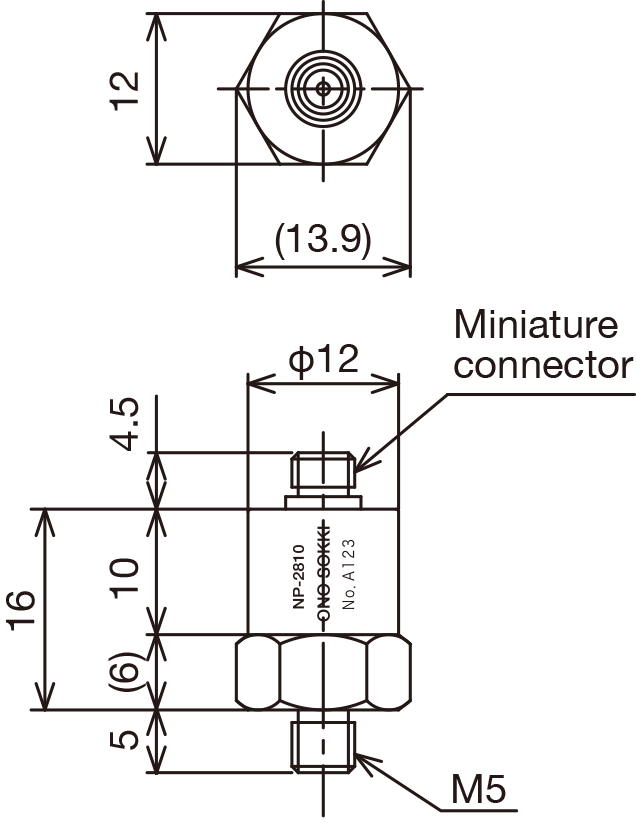
| Model Name | NP-2106 | NP-2110 | NP-2710 | NP-2910 | NP-2810 | NP-2120 |
| Appearance | ![]() |
![]() |
![]() |
![]() |
![]() |
![]() |
| Sensitivity*1 | 0.035 pC/(m/s2) ±20% | 0.16 pC/(m/s2) ±2dB | 0.306 pC/(m/s2) ±10% | 0.3 pC/(m/s2) ±20% | 1.2 pC/(m/s2) ±2dB | 5 pC/(m/s2) ±2dB |
| Capacitance | 580 pF ±20% (including cable) | 700pF ±20% (including cable) | approx. 485 pF | 500 pF ±20% | 750 pF ±20% | 3,350 ± 20% |
| Resonant Frequency | 60 kHz or more | approx. 46 kHz | approx. 50 kHz or more | approx. 63 kHz | approx. 48kHz | approx. 32 kHz |
| Frequency range*2 | fc to 1 kHz ±5% fc to 6 kHz ±10% fc to 20 kHz ±3 dB | fc to 10 kHz ±0.5 dB | fc to 10 kHz ±5% | fc to 10 kHz ±0.5 dB | fc to 6 kHz ±0.5 dB | fc to 5 kHz ±0.5 dB |
| fc to 20 kHz ±3 dB | fc to 20 kHz ±3 dB | fc to 20 kHz ±3 dB | fc to 15 kHz ±3 dB | fc to 12 kHz ±3 dB | ||
| Maximum allowable acceleration (m/s2) | 100,000 | 10,000 | ±22,549 | 50,000 | 20,000 | 8,000 |
| Maximum shock resistance (m/s2) | 100,000 | 100,000 | 98,100 | 100,000 | 30,000 | 16,000 |
| Operating temperature range ( °C) | -50 to +160 | -20 to +160 | -71 to +260 | -20 to +160 | -20 to +160 | -20 to +140 |
| Insulation resistance | 10,000 MΩ
or more (50 VDC) | 10,000 MΩ or more | 1,000 GΩ or more | 10,000 MΩ or more | 10,000 MΩ or more | 10,000 MΩ or more |
| Weight(g) | 0.2*3 | 0.6*3 | 2 | 2 | 12 | 25 |
| Ground/Insulation | Case ground | Case ground | Case ground | Case ground | Case ground | Case ground |
| case material | Titanium | Titanium | Titanium | Titanium | SUS303 | SUS303 |
| Outer Dimensions*4 (mm) | φ3.5 × 2.5(H) | φ6.5 × 3.7(H) | 7.92(Hex) × 8.4(H) | 7(Hex) × 10(H) | 12(Hex) × 16(H) | 14(Hex) × 23.5(H) |
| Connector | 10-32 coaxial plug (miniature) Cable: Directly attached cable (3 m), Cable diameter Φ 0.8 mm |
10-32 coaxial plug (miniature) Cable: Directly attached(3 m) Cable diameter Φ1.0mm |
5-44 coaxial Side |
M3 coaxial (micro connector) Side |
10-32 coaxial (miniature) Top |
10-32 coaxial (miniature) Side |
| Compatible cable |
- | - | NP-0160 series | NP-0150A series | NP-0120/0180 series | NP-0120/NP-0180 series |
| Attachment | Adhesive | Adhesive | M3 set screw (male) | Adhesive | M5 set screw (male) | M5 set screw (female) |
| Accessories | Instruction manual, Calibration chart, Tool for scooping out |
Instruction manual, Calibration chart |
NP-0162 (3m cable) Instruction manual Calibration chart |
NP-0152A (3m cable) Instruction manual Calibration chart |
NP-031 (Mount base) Instruction manual Calibration chart |
M5 X 0.8 L=10 set screw Instruction manual Calibration chart |
| Outline drawings (mm) |
![]() |
![]() |
![]() |
![]() |
![]() |
![]() |
*1: The sensitivity such as±0.5 dB and ±1 dB represents sensitivity variation for each sensor ( individual difference), not the measurement accuracy. Performing calibration for each sensor according to its respective sensitivity value enables measuremet to be performed under the same conditions and with the same accuracy,irrespective of the sensor type.
*2: The fc value is determined by the time constant with respect to the charge amplifier.
*3: Not including a cable
*4: Not including a cable and connector part.
* Noise of the NP-2000 series is equivalent to "conversion input noise level" of a charge amplifier used, such as CH-1200A charge amplifier.
Related products
|
VX-1100A Seneitivity Calibrator for Piezoelectric accelerometers |
![]() |
|
NP-0081N20 TEDS Adapter |
![]() |
|
SR-2210 2-ch Sensor Amplifier |
|
|
PS-1300 3-ch Sensor Amplifier (For with built-in preamplifier) |
|
|
CH-1200A Charge Amplifier |
|
|
CH-6130/CH-6140 Charge Convertor |
|
| Record / Analysis | ||
| Record | Analysis | Judgement |
| DR-7100 Portable Data Recorder For Acoustics & Vibration |
DS-5000 / O-Solution Data Station |
VC-3200/VC-2200 Vibration Comparator |
![]() | ![]() |
![]() |
| VW-3100 Portable Vibration Meter |
CF-9200A/CF-9400A Portable 2 / 4 channel FFT Analyzer |
CF-4700A FFT Comparator |
![]() |
![]() |
![]() |
Related information
Revised:2025/09/30
























