Accelerometer (with built-in preamplifier)
NP-3000 series
This sensor converts mechanical vibrations into electric signals in proportion of vibration acceleration.
"The NP-3000 series offers ultra-small masses of 0.4g, tri-axial type which can obtain vibration directions of XYZ at once, waterproof,
high sensitive type, and so on. You can choose the most suitable detector according to the purpose of use, operation conditions,
and applications. Since the preamplifier is built in the detector main body of the NP-3000 series, sensor signal input part can be made relatively inexpensively
and it can be directly connected to analysis equipment such as our FFT analyzer."
Features
*1:Vibration system where M is mass, K is the spring constant, and C is the viscosity resistance.

NP series Accelerometers
Specifications
| Features | Ultra compact, lightweight |
Compact, lightweight |
Compact, lightweight |
Compact, general-purpose usage |
General-purpose usage | General-purpose usage, floating |
| Structure | Shear type | Shear type | Shear type | Shear type | Shear type | Shear type |
|---|---|---|---|---|---|---|
| Model | NP-3211 | NP-3418 | NP-3412/3414 | NP-3110 | NP-3120 | NP-3121 |
| Appearance | ![]() |
![]() |
![]() |
![]() |
![]() |
![]() |
| Sensitivity*1 | 1.02 mV/(m/s2) ±15 % |
1.0 mV/(m/s2) ±10% |
1.0 mV/(m/s2) ± 1dB |
0.5 mV/(m/s2)±1dB | 1.0 mV/(m/s2)±1 dB | 1.0 mV/(m/s2)±1 dB |
| Resonant Frequency | 50 kHz or more | approx. 46 kHz | approx. 47 kHz | approx. 45 kHz | approx.50 kHz | approx. 50 kHz |
| Frequency Response range | 1 Hz to 10 kHz ±5 % 0.7 Hz to 13 kHz ±10 % |
2 Hz to 6 kHz ±0.5 dB |
2 Hz to 8 kHz ±0.5 dB |
5 Hz to 6 kHz ±0.5 dB |
5 Hz to 5 kHz ±0.5 dB |
5 Hz to 5 kHz ±0.5 dB |
| 0.3 Hz to 20 kHz ±3 dB |
0.8 Hz to 16 kHz ±3 dB |
0.8 Hz to 16 kHz ±3 dB |
5 Hz to 15 kHz ±3 dB |
5 Hz to 12 kHz ±3 dB |
5 Hz to 10 kHz ±3 dB |
|
| Maximum allowable acceleration | 4,900 m/s2 | 2,200 m/s2 | 2,200 m/s2 | 4,400 m/s2 | 2,200 m/s2 | 2,200 m/s2 |
| Maximum shock resistance | 98,000 m/s2 | 10,000 m/s2 | 10,000 m/s2 | 100,000 m/s2 | 100,000 m/s2 | 10,000 m/s2 |
| Operating Temperature range | −54 to + 125 °C | −30 to + 110 °C | −30 to + 110 °C | −20 to + 110 °C | −20 to + 110 °C | −20 to + 110 °C |
| Output impedance | 300 Ω or less | 100 Ω or less | 100 Ω or less | 100 Ω or less | 100 Ω or less | 100 Ω or less |
| Sensor noise | approx. 20 µVrms approx. 0.02 m/s2 rms |
20 µVrms or less 0.02 m/s2 rms or less |
20 µVrms or less 0.02 m/s2 rms or less |
20 µVrms or less 0.04 m/s2 rms or less |
20 µVrm s or less 0.02 m/s2 rms or less |
20 µVrms or less 0.02 m/s2 rms or less |
| Power requirement | 18 to 30 VDC 2 to 20 mA Constant current drive |
15 to 25 VDC 0.5 to 5 mA Constant current drive |
15 to 25 VDC 0.5 to 5 mA Constant current drive |
12 to 25 VDC 0.5 to 5 mA Constant current drive |
15 to 25 VDC 0.5 to 5 mA Constant current drive |
15 to 25 VDC 0.5 to 5 mA Constant current drive |
| Weight | 0.5 g | 1.9 g | NP-3412: 5.5 g NP-3414: 3.5 g |
5.4 g | 20 g | 34 g |
| Ground / insulation | Case Ground (surface insulation) |
Case Ground | Case Ground | Case Ground | Case Ground | Mounting surface insulation |
| Case material | Aluminum | Titanium | SUS303 | Titanium | SUS303 | SUS303 |
| Outer dimensions *2 (mm) | 3.6 (H)×6.4 (W) ×11.4 (L) | 7 (Hex) X 11.5 (H) | NP-3412: 10 (Hex) X 12.5 (H) NP-3414: 8 (Hex) X 11 (H) |
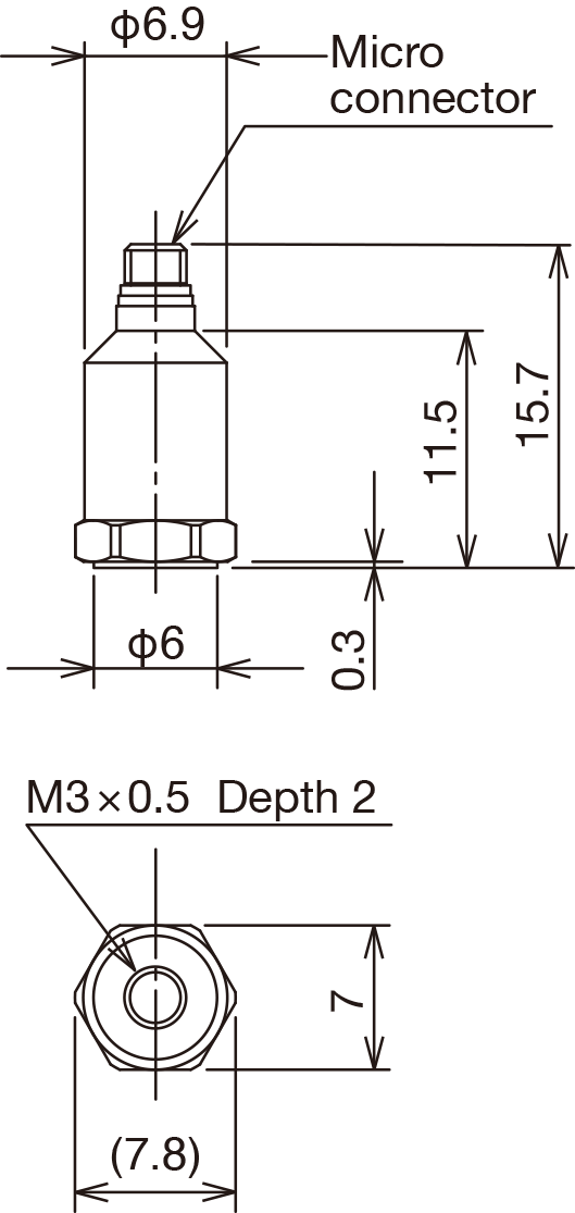
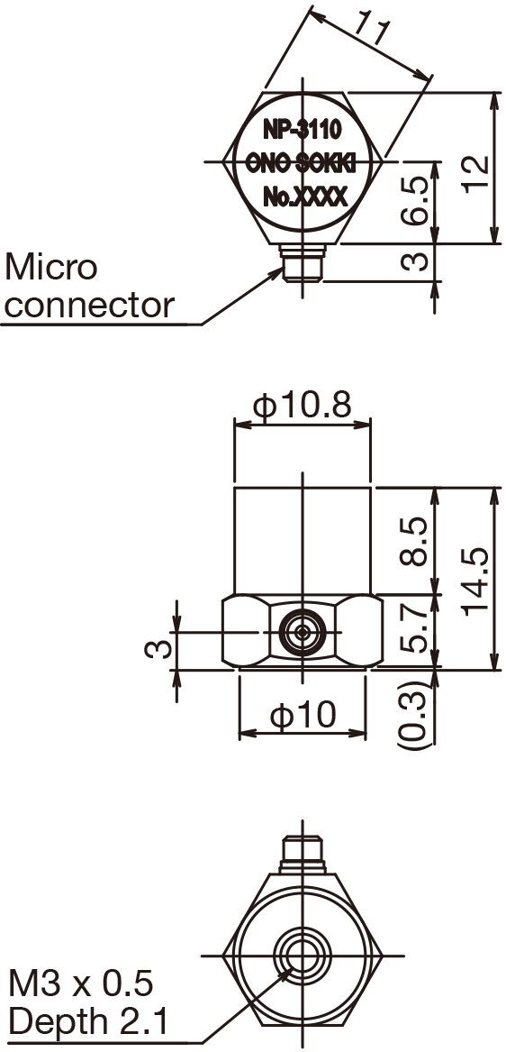
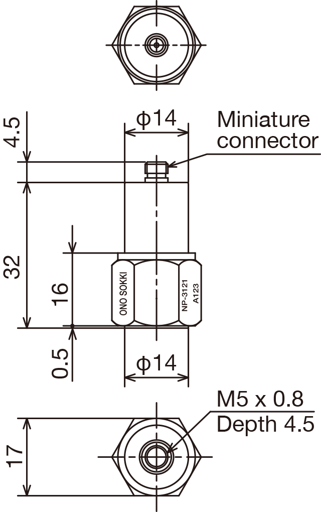
11 (Hex) X 14.5 (H) | 14 (Hex) X 23.5 (H) | 17 (Hex) X 32 (H) |
| Connector | 3-56 coaxial side |
M3 coaxial (micro connector) top |
M3 coaxial (micro connector) NP-3412: side NP-3414: top |
M3 coaxial (micro connector) side |
10-32 coaxial (miniature connector) side |
10-32 coaxial (miniature connector) top |
| Cable | NP-0172A (provided) (3m) |
NP-0150A series |
NP-0150A series |
NP-0150A series |
NP-0120/0130/0180 series |
NP-0120/0130/0180 series |
| Attachment | Adhesive | M3 female screw | M3 female screw | M3 female screw | M5 female screw | M5 female screw |
| Accessories | NP-0172A (3 m cable) NP-0021 (BNC to 10-32 conversion adapter) Mounting wax, Tool for scooping out, Instruction manual, Calibration chart |
M3×0.5 L=4 set screw Instruction manual, Calibration chart |
M3×0.5 L=4 set screw Instruction manual, Calibration chart |
M3×0.5 L=4 Exclusive 3 m cable set screw Instruction manual, Calibration chart |
M5×0.8 L=10 set screw, Instruction manual, Calibration chart |
M5×0.8 L=10 set screw Instruction manual, Calibration chart |
| Outline drawings (mm) |
![]() |
![]() |
![]() |
![]() |
![]() |
![]() |
*1: The sensitivity such as ±0.5 dB and ±1 dB represents sensitivity variation for each sensor ( individual difference), not the measurement accuracy. Performing calibration for each of the sensor according to its respective sensitivity value enables measuremet to be performed under the same conditions and with the same accuracy, irrespective of the sensor type. 1 G≒9.8 m/s2
*2: Not including a cable and connector part.
| Features | High sensitivity | High sensitivity, floating |
Simple waterproof,*2 CE*3,floating |
Water/dust resistance*5, CE*3, floating New |
Simple waterproof*2 Accepts TEDS,*4 CE*3,floating |
Waterproof*5 |
| Structure | Shear type | Shear type | Shear type | Shear type | Shear type | Shear type |
|---|---|---|---|---|---|---|
| Model | NP-3130 | NP-3131 | NP-3331C | NP-3331WC | NP-3331N30 | NP-3310 |
| Appearance | ![]() |
![]() |
![]() |
IP67 |
![]() |
IPX7 |
| Sensitivity*1 | 10 mV/(m/s2) ±1 dB | 10 mV/(m/s2) ±1 dB | 5.0 mV/(m/s2) ±10 % | 5.0 mV/(m/s2) ±10 % | 5.0 mV/(m/s2) ±10 % | 1.0 mV/(m/s2) ±1 dB |
| Resonant frequency | approx. 25 kHz | approx. 25 kHz | approx. 27 kHz | approx. 27 kHz | approx. 27 kHz | approx. 35 kHz |
| Frequency response range*2 | 5 Hz to 4 kHz ±0.5 dB | 5 Hz to 4 kHz ±0.5 dB | 2 Hz to 4 kHz ±5 % | 2 Hz to 4 kHz ±5 % | 2 Hz to 4 kHz ±5 % | 5 Hz to 5 kHz ±0.5 dB |
| 5 Hz to 10 ±3 dB | 5 Hz to 8 kHz ±3 dB | 2 Hz to 10 kHz ±3 dB | 2 Hz to 10 kHz ±3 dB | 2 Hz to 10 kHz ±3 dB | 5 Hz to 10 kHz ±3 dB | |
| Maximum allowable acceleration | 220 m/s2 | 220 m/s2 | 700 m/s2 | 700 m/s2 | 700 m/s2 | 2,200 m/s2 |
| Maximum shock resistance | 100,000 m/s2 | 5,000 m/s2 | 10,000 m/s2 or more | 10,000 m/s2 or more | 10,000 m/s2 | 10,000 m/s2 |
| Operating temperature range | −20 to +110 °C | −20 to +110 °C | −20 to +110 °C | -20 to +85 °C | −20 to +85 °C | −20 to +80°C |
| Output impedance | 100 Ω or less | 100 Ω or less | 100 Ω or less | 100 Ω or less | 300 Ω or less | 100 Ω or less |
| Sensor noise | 20 µVrms or less 0.002 m/s2 rms or less |
20 µVrms or less 0.002 m/s2 rms or less |
20 µVrms or less 0.004 m/s2 rms or less |
20 µVrms or less 0.004 m/s2 rms or less |
20 µVrms or less 0.004 m/s2 rms or less |
20 µVrms or less 0.02 m/s2 rms or less |
| Power requirement | 15 to 25 VDC 0.5 to 5 mA Constant current drive |
15 to 25 VDC 0.5 to 5 mA Constant current drive |
15 to 25 VDC 0.5 to 5 mA Constant current drive |
15 to 25 VDC 0.5 to 5 mA Constant current drive |
18 to 25 VDC 0.5 to 5 mA Constant current drive |
15 to 25 VDC 0.5 to 5 mA Constant current drive |
| Weight (g) | 46 | 69 | 50 | 50 *6 | 50 | 59*6 |
| Ground / insulation | Case ground | Mounting surface insulation | Case insulation | Case insulation | Case insulation | Case insulation |
| Case material | SUS303 | SUS303 | SUS303 | SUS303 | SUS303 | SUS303 |
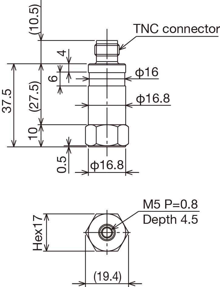
| Outer dimensions *7 (mm) | 17 (Hex) X 32 (H) | 21 (Hex) X 37.5 (H) | 17 (Hex) X 37.5 (H) | 17 (Hex) X 80 (H) | 17 (Hex) X 37.5 (H) | 17 (Hex) X 59 (H) |
| Connector | 10-32 coaxial (miniature connector) Side |
10-32 coaxial (miniature connector) Top |
TNC Top |
Cable end: BNC connector | TNC Top |
Attachecd to the cable 10-32 coaxial plug (miniature connector) |
| Cable | NP-0120/0130/0180 series | NP-0120/0130/0180 series | NP-0140 series /NP-0411 |
Directly connected cable type (NP-0411 coiled cable) |
NP-0140 series /NP-0411 |
- |
| Attachment | M5 female screw | M5 female screw | M5 female screw | M5 female screw | M5 female screw | M5 female screw |
| Accessories | M5×0.8 L=10 set screw Instruction manual, Calibration chart |
M5×0.8 L=10 set screw Instruction manual, Calibration chart |
M5×0.8 L=10 set screw Instruction manual, Calibration chart (1 each for 80 Hz, 160 Hz) |
M5×0.8 L=10 set screw Instruction manual, Calibration chart (1 each for 80 Hz, 160 Hz) |
M5×0.8 L=10 set screw Instruction manual, Calibration chart |
M5×0.8 L=10 set screw Instruction manual, Calibration chart |
| Outline drawings (mm) |
![]() |
![]() |
![]() |
![]() |
![]() |
![]() |
*1: The sensitivity such as ±0.5 dB and ±1 dB represents sensitivity variation for each sensor ( individual difference), not the measurement accuracy. Performing calibration for each of the sensor according to its respective sensitivity value enables measuremet to be performed under the same conditions and with the same accuracy, irrespective of the sensor type.
*2: When using it in places where the sensor may be splashed or spilled water, please refer to the procedure at the bottom.
*3: Applicable standard: EMC Directive: EN 61326:2021, RoHS Directive: EN 63000:2018
*4: Conforms to IEEE1451.4-2004 Template ver. 1.0
*5: Conforms to JIS C 0920:2003
*6: Not including a cable.
*7: Not including connector/cable part.
Related products
|
VX-1100A Seneitivity Calibrator for Piezoelectric accelerometers |
![]() |
|
NP-0081N20 TEDS Adapter |
![]() |
|
SR-2210 2-ch Sensor Amplifier |
|
|
PS-1300 3-ch Sensor Amplifier (For with built-in preamplifier) |
|
| Record / Analysis | ||
| Record | Analysis | Judgement |
| DR-7100 Portable Data Recorder For Acoustics & Vibration |
DS-5000 / O-Solution Data Station |
VC-3200/VC-2200 Vibration Comparator |
![]() |
![]() |
![]() |
| VW-3100 Portable Vibration Meter |
CF-9200A/CF-9400A Portable 2 / 4 channel FFT Analyzer |
CF-4700A FFT Comparator |
![]() |
![]() |
![]() |
Related information
Revised:2025/09/30
















IP67
IPX7














