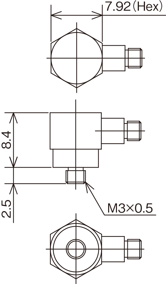
電荷出力型 加速度センサー
NP-2000 シリーズ
機械系の振動量を振動加速度に比例した電気信号として取り出す加速度センサー。
NP-2000シリーズは質量 0.2 g の超小型タイプから、汎用タイプ 、高温対応タイプまで、7種類を用意。
使用目的や、使用条件、アプリケーション用途に応じて最適なセンサーを選択することができます。
電荷出力型のため、チャージアンプが必要ですが、プリアンプ内蔵型と比較し、一般的により高温でご使用いただくことができます。












;







