| 感度*1 |
0.04 pC/(m/s2) ±20 % |
1.02 mV/(m/s2) ±20 % |
1.02 mV/(m/s2) ±10 % |
1.0 mV/(m/s2) ±10 % (NP-3572) |
10 mV/(m/s2) ±10 % |
1 mV/(m/s2) ±10 % |
10 mV/(m/s2) ±10 % (NP-3574) |
10 mV/(m/s2) ±10 % |
| 静電容量 |
580 pF ±20 %
(ケーブル含む) |
- |
- |
- |
- |
|
| 共振周波数 |
60 kHz 以上 |
50 kHz以上 |
55 kHz 以上 |
15 kHz以上 (X軸)
約 45 kHz (Y,Z軸) |
55 kHz以上 (Z軸) |
16 kHz以上 (X軸) 約47 kHz (Y,Z軸) |
| 周波数範囲 |
(X・Y・Z軸共通) fc~1 kHz ±5 % fc~5 kHz ±10 % fc~20 kHz ±3 dB |
(X軸) 2 Hz~5 kHz ±5 % (Y,Z軸)
2 Hz~8 kHz ±5 %
|
(X軸) 2 Hz~5 kHz ±5 % (Y,Z軸) 2 Hz~10 kHz ±5 %
|
(X,Y軸) 1 Hz~5 kHz ±10 % (Z軸) 1 Hz~8 kHz ±10 %
|
(X,Y軸) 2 Hz~7 kHz ±5 % (Z軸) 2 Hz~10 kHz ±5 % |
(X軸) 1 Hz~5 kHz ±1 dB (Y、Z軸) 1 Hz~8 kHz ±1 dB |
(X,Y軸) 0.5 Hz~10 kHz ±3 dB (Z軸) 0.5 Hz~18 kHz ±3 dB |
(X軸) 0.8 Hz~8 kHz ± 3 dB (Y,Z軸) 0.8 Hz~10 kHz ±3 dB |
| 最大使用加速度 |
25,000 m/s2 |
4,905 m/s2 |
4,900 m/s2 |
4,000 m/s2 (NP-3572) |
450 m/s2 |
3,600 m/s2 (NP-3576N20) |
400 m/s2 (NP-3574) |
360 m/s2 (NP-3578N20) |
| 耐衝撃性 |
50,000 m/s2 |
49,050 m/s2 |
98,100 m/s2 |
30,000 m/s2 |
30,000 m/s2 |
30,000 m/s2 |
| 使用温度範囲 |
-50~+160 °C |
-54~+121 °C |
-54~+121 °C |
-50~+110 °C |
-50~+110 °C (TEDS通信時: -40~+85 °C) |
-40~+85 °C |
| 出力インピーダンス |
- |
200 Ω以下 |
200 Ω以下 |
1 kΩ以下 |
500 Ω以下
|
400 Ω以下 (NP-3576N20) |
1 kΩ以下 (NP-3578N20) |
| センサーノイズ |
- |
30 μVrms
0.03 m/s2rms
[TYP] |
30 μVrms
0.03 m/s2rms [TYP] |
40 μVrms以下
0.04 m/s2rms以下
(NP-3572) |
40 μVrms以下
0.004 m/s2rms以下 |
40 μVrms以下
0.04 m/s2rms
(NP-3576N20) |
40 μVrms以下
0.004 m/s2rms以下
(NP-3574) |
40 μVrms以下
0.004 m/s2rms
(NP-3578N20) |
| 駆動電源 |
- |
22~30
VDC
2~20 mA
定電流駆動 |
18~30
VDC
2~20 mA
定電流駆動 |
21~30
VDC
0.5~5 mA
定電流駆動 |
21~30
VDC
2~5 mA
定電流駆動 |
18~25 VDC
0.5~5 mA
定電流駆動 |
| 絶縁抵抗 |
10,000 MΩ以上
(DC 50 V) |
|
|
|
|
|
| 質量 |
1.2 g*4 |
1.0 g |
5.3 g |
8.1 g |
4.4 g |
11.1 g |
| 接地/絶縁 |
ケース接地 |
ケース接地 |
ケース接地 |
ケース接地 |
ケース接地 |
ケース接地 |
| ケース材質 |
チタン |
チタン |
チタン |
アルミニウム |
チタン |
チタン |
外径寸法 (mm) |
(W)X(D)X(H)
8 X 7 X 5.5 |
(W)X(D)X(H)
6.35 X 6.35 X 6.35
(突起物を除く) |
(W)X(D)X(H)
10.2 X 10.2 X 10.2
(突起物を除く) |
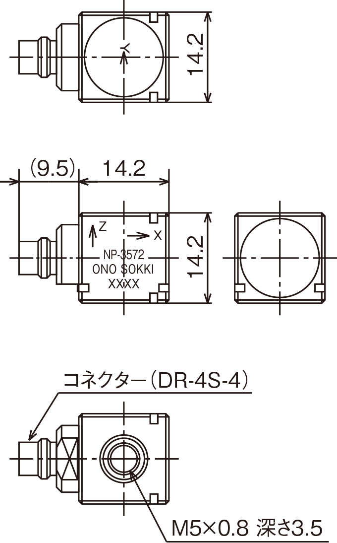
(W)X(D)X(H)
14.2 X 14.2 X 14.2
(突起物を除く) |
(W)X(D)X(H)
10 X 10 X 10
(突起物を除く) |
(W)X(D)X(H)
14.2 X 14.2 X 14.2
(突起物を除く) |
| コネクター |
ケーブル:
直出し 3 m
径 ⌀0.8 mm(3本)
コネクター:
10-32同軸
(ミニチュア) |
8-36(4pin)ミニコネクター
横出し |
1/4-28(4pin)コネクター
横出し |
DR-4S-4
横出し |
CZ710
横出し |
DR-4S-4
横出し |
| ケーブル |
-
|
NP-0272/0273/0274 NP-0291 |
NP-0252/0262 |
NP-0222/0232 |
NP-0332/0322 |
NP-0222/0232 |
| 取付方法 |
接着 |
接着 |
接着剤または 5-40UNCネジ止め (本体側メネジ) |
接着または マウンティングクリップ
M5ネジ止め (本体側メネジ) |
接着または マウンティングクリップ
M3ネジ止め (本体側メネジ) |
接着または マウンティングクリップ
M5ネジ止め (本体側メネジ) |
| 付属品 |
取扱説明書
出荷特性表 |
取付ワックス
取扱説明書
出荷特性表 |
5-40 UNC/M3変換ネジ(2個)
取付ワックス
マウントベース
(NP-0035)
取扱説明書
出荷特性表 |
M5X0.8 L=8 止めネジ
取付ワックス
マウンティングクリップ
(NP-0061)
取扱説明書
出荷特性表 |
M3X0.5 L=4 止めネジ
取付ワックス
マウンティングクリップ
(NP-0062)
取扱説明書
出荷特性表 |
M5X0.8 L=8 止めネジ
取付ワックス
マウンティングクリップ
(NP-0061)
取扱説明書
出荷特性表 |
| 外形寸法図 |
NP-2506
 |
NP-3550
 |
NP-3560B
 |
NP-3572 NP-3574

|
NP-3564N10
 |
NP-3576N20 NP-3578N20
 |
価格
(税込) |
(
) |
( ) |
() |
NP-3572
()
NP-3574
() |
(
) |
NP-3576N20
()
NP-3578N20
() |