Pressure Loss Compensated Flow Detector
FP-2130S / FP-2140S
The Volumetric Flow Detector FP-2130S, FP-2140S are volumetric flow detectors, used in combination with
the Digital Flow Meter FM/DF series, for precision measurement of fuel flow such as gasoline,
light oil and kerosene.
When a flow detector is installed in a pipe, the detector itself can cause pressure loss. Because of this, it may change the fuel supply condition to the engine, potentially affecting engine combustion. The pressure loss compensated flow detector reduces the pressure loss inherent to the detector itself and minimizes its impact on the operating environment.
Features
They provide the pressure loss compensation function that compensates the pressure loss by servo-driving the motor coupled with the rotary encoder to keep the free piston at the neutral position (zero difference of pressure).
The position of the free piston is always detected by the eddy current sensor. The low pressure of 10 Pa or less and the highly accurate flow rate meassurement are available.
FP-2130S Measurement range: 0.06 to 60 L/h Flow range ratio: 1 : 1000
FP-2140S Measurement range: 0.05 to 200 L/h Flow range ratio: 1 : 4000
From motorcycle idling to the high-load range of alcohol-fueled engines, flow measurement can be performed by a single detector.
FP-2140S
±0.2 % of reading over the entire range 0.05 to 200 L/h
FP-2130S
High resolution (option)
More compact, lightweight than FP-2140S
System configuration
*Please contact us if you would like to add temperature sensors, pressure sensors, and density meters.

Specifications
| Press Loss Compensated Flow Detector | |||
|---|---|---|---|
| Model | FP-2130S | FP-2140S | |
| Measurement items | Flow rate | ○ | |
| Temperature | Option (EH-0081 Temperature sensor) | ||
| Pressure | Option (EH-0082 Pressure sensor ) | ||
| Density | — | ||
| Detection method | — | Volumetric type (Piston type) | |
| Usable liquid | Standard specifications | Gasoline, light oil, kerosene, methanol, ethanol or mixture of alcohol and gasoline*1 | Gasoline, light oil, kerosene *1 |
| Alcohol applicable (option) |
- | Gasoline, light oil, kerosene, methanol, ethanol or mixture of alcohol and gasoline *1 | |
| Measurement range | Flow rate | 0.06 to 60 L/h | 0.05 to 200 L/h |
| Temperature | Option(0 to +100 ℃) | ||
| Pressure | Option(0 to 1000 kPa) | ||
| Density | - | ||
| Accuracy | Flow rate | ±0.5 % of reading (over the entire range 0.06 to 60 L/h) |
±0.2 % of reading (over the entire range 0.05 to 200 L/h) |
| Temperature | Option (PT100 Class A) | ||
| Pressure | Option(±0.25 %FS) | ||
| Density | - | ||
| Pressure loss | 0.01 kPa or less (excluding pressure loss at filter section) | ||
| Minimum resolution | 0.01 mL(0.001 mL〈Option〉) | 0.01 mL | |
| Maximum operating pressure | 980 kPa | ||
| Operating temperature | 0 to +60 ℃ | ||
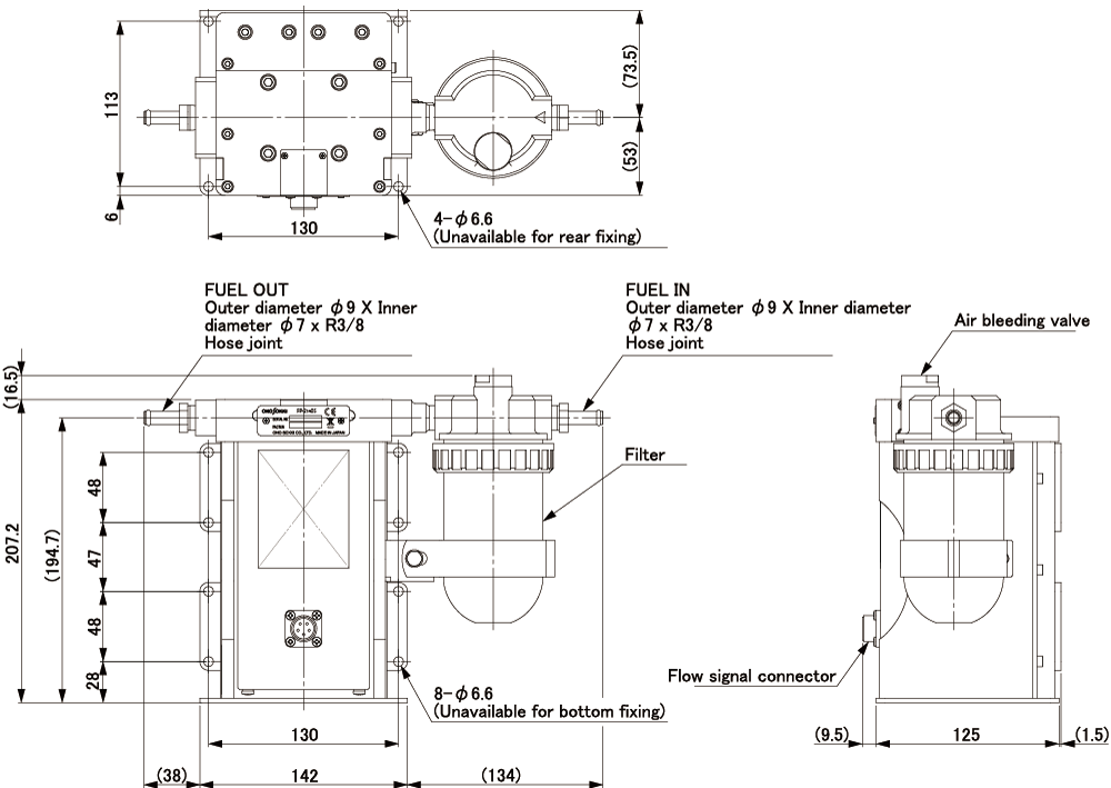
| Filter | EH-1060 provided as standard | EH-1050 provided as standard | |
| Outline dimensional drawings | FP-2130S
|
||
| Weight | Approx. 4.5 kg (including filter) | Approx. 9 kg (including filter) | |
| Accessories | Instruction manual, mounting bracket | Instruction manual, mounting bracket | |
| Signal cable | Please refer to the options. | ||
| Applicable detectors | Digital Flow Meter DF-2200 FM-3100 / FM-0311A | ||
*1:The instantaneous flow rate may fluctuate when the outlet is open to the atmosphere.
Related information
Last update :2025/11/17


