加速度传感器信号电缆与配件
信号电缆
| 型号 | 长度 | 配套传感器 | 外形 |
|---|---|---|---|
| NP-0121 | 1.5 m | NP-2120、NP-2810、NP-3120、NP-3121、NP-3130、NP-3131、(NP-2130、NP-3910*2、 NP-510、NP-510I、NP-520、NP-520I、NP-550、NP-560*2、NP-602*1、)*3 |
使用温度范围 : -25~+105 °C电缆外径 : φ1.2 mm 类型 : 低噪声信号电缆 |
| NP-0122 | 3 m | ||
| NP-0123 | 5 m | ||
| NP-0124 | 10 m | ||
| NP-0181 | 1.5m | NP-2120、NP-2810、NP-3120、NP-3121、NP-3130、NP-3131 (NP-2130、NP-3910*2、NP-510、NP-5101、NP-520、NP-5201、NP-550、NP-560*2、NP-602*1)*3 |
电缆外径 : φ2.4 mm 类型 : 低噪信号电缆 材料 : 硅胶 连接器形状 : 六边形 |
| NP-0182 | 3 m | ||
| NP-0183 | 5 m | ||
| NP-0184 |
10 m | ||
| NP-0143 | 5 m | NP-3331C、NP-3331N30 |
电缆外径 : φ4.2 mm |
| NP-0144 | 10 m | ||
| NP-0146 | 20 m | ||
| NP-0148 | 30 m | ||
| NP-0411 | 0.48 m*4 | NP-3331C、NP-3331WC、NP-3331N30 |
电缆外径 : φ4.2 mm |
| NP-0151A | 1.5 m | NP-2910*1、NP-3110*1、NP-3412、NP-3414、NP-3418 |
电缆外径 : φ1.2 mm 类型 : 低噪声信号电缆 |
| NP-0152A | 3 m | ||
| NP-0153A | 5 m | ||
| NP-0154A | 10 m | ||
| NP-0162 | 3 m | NP-2710 | 电缆外径 : φ2.0 mm 类型 : 低噪声信号电缆 |
| NP-0164 | 9 m | ||
| NP-0172A | 3 m | NP-3211*1 |
电缆外径 : φ1.1 mm |
| NP-0222 | 3 m | NP-3572、NP-3574、 NP-3576N20、NP-3578N20、 (NP-3560、NP-3576N10、NP-3578N10)*3 |
![]() 电缆外径 : A部位 φ2.6 mm、 B部位 φ1.5 mm |
| NP-0232 | 3 m | ![]() 电缆外径 : A部位 φ2.6 mm、B部位 φ1.5 mm |
|
| NP-0213 | 5 m | NP-3572、NP-3574、 (NP-3560、NP-3576N10、NP-3578N10)*3 NP-3576N20、NP-3578N20用延长电缆 |
电缆外径 : φ2.6 mm |
| NP-0214 | 10 m | ||
| NP-0252 | 3 m | NP-3560B、(NP-3560A)*3 | ![]() 电缆外径 : A部位 φ2.54 mm 、B部位 φ1.96 mm |
| NP-0262 | 3 m |
![]() 电缆外径 : A部位 φ2.54 mm、B部位 φ1.96 mm |
|
| NP-0243 | 6 m | NP-3560B (NP-3560A)*3用延长电缆 | ![]() 电缆外径 : φ2.54mm |
| NP-0272 | 3 m | NP-3550 | ![]() 使用温度范围 : A部位: -90~+200 °C, B部位: -90~+204 °C 电缆外径 : A部位 = φ1.96 mm、B部位 = φ1.9 mm |
| NP-0273 | 6.1 m | ![]() 电缆材质 : A部位 硅胶, B部位: 特氟隆 使用温度范围 : A部位: -60~+260 °C, B部位: -90~+204 °C 电缆外径 : A部位 = φ1.8 mm、B部位 = φ1.9 mm |
|
| NP-0274 | 9.1 m | ![]() 使用温度范围 : A部位: -90~+200 °C, B部位: -90~+204 °C 电缆外径 : A部位 = φ1.96 mm、B部位 = φ1.9 mm |
|
| NP-0291 | 1.5 m | 转换电缆 NP-3550配套电缆 (NP-0252,NP-0262,NP-0243)时使用 |
![]() 使用温度范围 : -90~+200 °C 电缆外径 : φ1.96 mm |
| NP-0322 | 3.3 m | NP-3564N10 | ![]() 电缆外径 : A部 = φ2 mm、B部 = φ2.1 mm |
| NP-0332 | 3.3 m | ![]() 电缆外径 : A部 = φ2 mm、B部 = φ2.1 mm |
|
| NP-0313 | 5 m | NP-3564N10用延长电缆 |
![]() 电缆外径 : φ2 mm |
| NP-0314 | 10 m | ||
| NP-0732 | 0.4 m | NP-7320N10 用分岐电缆 |
![]() 使用温度范围 : -15~+60 °C 电缆外径 : φ2.5 mm |
| NP-0733 | 5 m | NP-7320N10 用延长电缆 |
![]() 电缆外径 : φ4.9 mm |
| NP-0734 | 10 m |
*1 : 传感器配有电缆。
*2 : 需要NP-0021小型接插头/BNC型转换接插头。
*3 : ()内是已停产产品。
*4 : 通常状态下的长度,通过拉直卷曲部分,最长可延伸1m以上。
信号电缆延长用连接器
| 型号 | 使用示例 | 外形 |
|---|---|---|
| NP-0020 | ![]() |
![]() |
小型接插头/BNC型转换接插头
| 型号 | 使用示例 | 外形 |
|---|---|---|
| NP-0021 | ![]() |
![]() |
磁座
| 型号 | 规格 | 配套传感器 | 外形 |
|---|---|---|---|
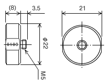
| NP-0100 | 重量 : 22 g 吸附力 : 117.6 N | NP-3130、NP-3131、NP-3310、NP-3331C、NP-3331N30 (NP-2130、NP-4120、NP-520、NP-520I、NP-3331N20)* | ![]() |
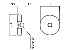
| NP-0101 | 重量 : 12 g 吸附力 : 29.4 N | NP-2120、NP-3120、NP-3121、NP-3572、NP-3574、NP-3331N20)* | ![]() |
| NP-0102 | 重量 : 10 g 吸附力 : 29.4 N | NP-3110、3412、3414、3418 ※如与平面台片NP-0042配套使用时,NP-3211、NP-3560B、NP-2110、NP-2910 (NP-3210、NP-602、NP-3560A)*等也可以使用。 |
![]() |
| NP-0103 | 重量 : 2.2 g 吸附力 : 4.0 N | NP-3412、3414、3418 | ![]() |
| NP-0104 | 重量 : 4.5 g 吸附力 : 40 N | NP-3564N10 | ![]() |
| NP-032 | 重量 : 35 g 吸附力 : 39.2 N | NP-2120、NP-2130、NP-2810、NP-3120、NP-3121、NP-3130、NP-3131、NP-3310(NP-3910、NP-510、NP-510I、NP-520、NP-520I)* | ![]() |
* : ()内是已停产产品。

用磁铁轻松固定。测量时将 NP-0100 安装到测量目标上。
接触针
| 型号 | 规格 | 配套传感器 | 外形 |
|---|---|---|---|
| NP-033 (订货生产) |
材质 : SUS303 | NP-2120、NP-2810、NP-3120、NP-3121、NP-3130、NP-3131、NP-3331C、NP-3331N30、NP-3310 (除下列型号 3轴传感器) | ![]() |
* : 是已停产产品。

多点测量或传感器设置位置狭小,传感器设置困难时使用。
底座
| 型号 | 规格 | 配套传感器 | 外形 |
|---|---|---|---|
| NP-031 | 材质 : SUS303 | NP-2120、NP-2810、NP-3120、NP-3121、NP-3130、NP-3131、NP-3331C、NP-3331N30、NP-3310、NP-3572、NP-3574、NP-3576、NP-3578 | ![]() |
| NP-0032 | 材质 : 钛合金 | NP-2710、NP-3418、NP-3560B、NP-3560A* | ![]() |
| NP-0035 | 材质 : 铝,绝缘镀膜 (3个/ 1套) | NP-2710、NP-3418、NP-3560B、NP-3560A* | ![]() |
* : 是已停产产品。

保护传感器的底面。传感器在使用时,避免由于传感器的设置粘接和拆除而造成的传感器的损伤。
安装夹
| 型号 | 规格 | 配套传感器 | 外形 |
|---|---|---|---|
| NP-0061 | 材质 : ABS resin 重量 : Approx. 1.7 g |
NP-3572、NP-3574、NP-3576N20、NP-3578N20、 NP-3576N10∗、NP-3578N10∗ | ![]() |
| NP-0062 | NP-3564N10 |
![]() |
注意 使用安装夹会将频率范围减小到 1 kHz 或更小。

使用安装夹可防止螺纹螺丝孔被粘合剂填满或 NP 传感器在拆卸时因过大负载而损坏的事故。此外,在测量对象上的多个点安装夹子可以使 NP 传感器易于移动,从而减少设置时间。
转换螺栓
| 型号 | 规格 | 配套传感器 | 外形 |
|---|---|---|---|
| NP-0051 | 材质 : SUS303 (3个/ 1套) | NP-3560B、NP-3560A* | ![]() |
* : 是已停产产品。


平面台片
| 型号 | 规格 | 配套传感器 | 外形 |
|---|---|---|---|
| NP-0042 (订货生产) |
材质 : SUS303 | NP-3211、NP-3560B、NP-2110、NP-2910(NP-3210、NP-602、NP-3560A)* | ![]() |
* : ()内是已停产产品。

NP-2110、NP-2910、NP-3211、NP-3560B(NP-3210、NP-3560A、NP-602)* 与磁座一起配套使用。
相关情报
更新日期:2025/08/06
使用温度范围 : -25~+105 °C





























