デジタルゲージ よくあるご質問


BCD out を外部機器と接続する場合の推奨インターフェースを示します。正論理/負論理の選択ができます。ご注意ください。
(1) 電圧で受ける場合
BCD出力、極性出力、小数点出力、エラー出力、プリントコマンド出力
外部機器の推奨回路とDG4120出力仕様を示します。

| 出力形式 | オープンコレクター出力 |
|---|---|
| 出力IC | 74LS07 |
| 耐電圧 | max 30V 信頼性向上のため24V以下で使用されるよう推奨いたします。 |
| 最大シンク電流 | max 32mA |
| 残留電圧 | max 0.5V |
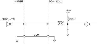
ホールド入力、リセット入力、BUSY入力
外部機器の推奨回路とDG4120入力仕様を示します。

| 入力Loレベル電圧 | 0~1.4V |
|---|---|
| 入力Hiレベル電圧 | 3~5.25V |
| 入力インピーダンス | 1kΩ以上 |
(2) シーケンサーと接続する場合
BCDout信号はオープンコレクター出力になっていますので、シーケンサー側はオープンコレクター信号用(電圧はDC12~24Vのもの)入力ユニットと接続してください。
尚、外部電源の極性を逆に接続するとBCD出力回路が壊れますので注意してください。

DG-4120の入力仕様は電圧信号入力になっていますので、シーケンサー側は電圧出力ユニット(TTL等)と接続することを推奨します。
オープンコレクターまたはリレー接点で駆動する時は、現場の環境状況によってノイズ等により誤動作を起こす場合があります。適当なノイズ対策を施してください。下図はその1例です。
■電圧信号入力 推奨

■ノイズ対策 例
