

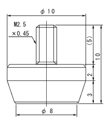
When the flat measurement tip such as the AA-0220, 0240 or 0250 is mounted to a gauge sensor with the unit of 1/1000 mm, the parallelism adjusting (additional cost required) is required to match the surface of the measurement stand. In this case, the measurement tip and the gauge stand are necessary to purchase as a pair.
| AA-0220 | AA-0240 |
|---|---|
![]() |
![]() |
| AA-0250 |
|---|
|
Revised:2001.01.12